在线客服系统
首页
公司介绍
Company profile
公司简介
Organizational structure
组织架构
Vision mission
愿景使命
Company culture
核心文化
Company Events
公司大事记
Company honor
资质荣誉
新闻资讯
Company news
公司新闻
Industry news
行业新闻
产品中心
Product catalog
产品目录
Product manuals
产品手册
Price public
价格公示
Technical service
技术服务
科技创新
Product catalog
研发能力
Product manuals
质量控制
Technical service
质量体系与方针
Product manuals
煤安证书
Technical service
体系认证
企业风采
Enterprise style
企业风采
Workshop scene
车间场景
人力资源
Talent concept
人才理念
Talent demand
人才需求
联系我们
公司新闻
行业新闻
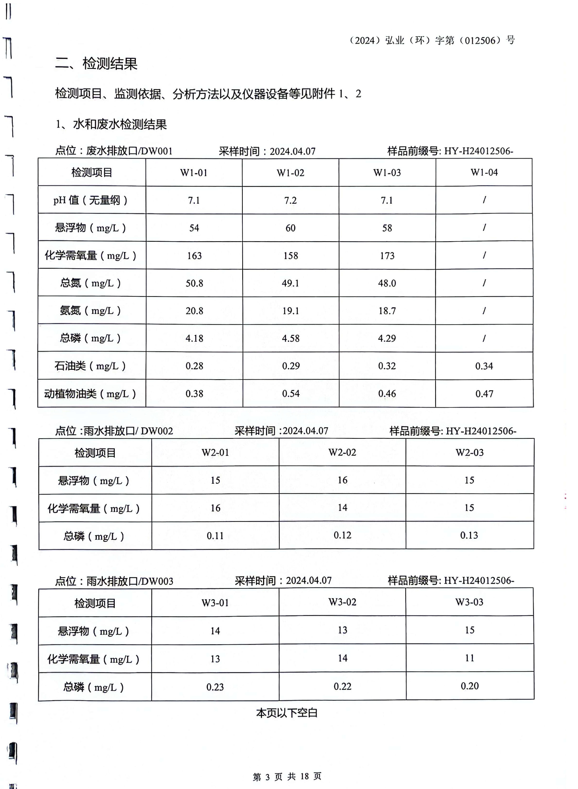
2024年环境监测报告(上半年)
2024-07-23